
产品介绍:
LDR6290 芯片是乐得瑞科技设计的单 USB C 口的 PD3.0 协议通信芯片,并且具有 USB 口升级和 Billboard 的功能,以及通过 VDM 协商让智能设备进入 Alternate Mode 输出 DP 信号的功能,特别适用于 DC 供电的台式显示器和转接器方案。当使用了 LDR6290 芯片的设备接入 USB HOST 时,会在 HOST 端弹出 Billboard 窗口,提醒用户该设备所具有的 Alternate Mode 功能。

2 特点
◆支持 USB PD3.1/3.0/2.0 协议
◆支持 Billboard Device Class 及 USB 转串口功能。计算机端系统为 Windows10 及 Windows10 以上时则无需下载驱动,对 Windows10 以下的系统,请自行从网络上下载并安装 Windows CDC 驱动程序。
◆自动进行 DR_SWAP 转为 UFP 模式
◆通过 VDM 协商申请,让智能设备进入 ALT MODE 支持 DP 输出
◆全速 USB 设备接口,支持 1.1 以上版本,Billboard 支持 USB2.01 以上的版本,外围元器件无需晶体和电容
◆QFN-28 4*4 封装
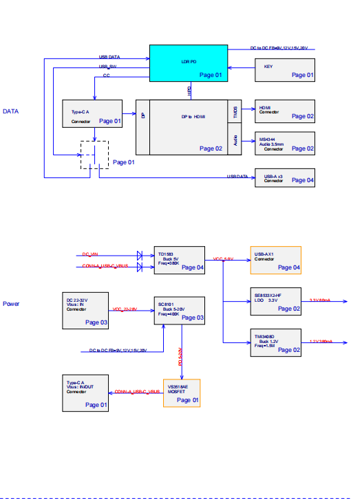
LDR6290是一颗专门针对单type-C显示器方案而设计的芯片,单USB Type-C接口,同时具有HDMI/USB扩展和直流供电,桌面式显示器的典型形态,整个显示器通过DC接口输入类似24V/3A的大功率电源,出了满足本身的功率需求,还可以为通过USB Type-C接口接入到显示器的手机或者笔记本电脑提供PD快充。
LDR6290,单USB Type-C接口桌面显示器专用解决方案,主要框架如下:
